
Sayıcılar flip-flop'lardan oluşmaktadırlar. İki gruba ayrılırlar, bunlar Senkron ve Asenkron sayıcılardır. Asenkron sayıcılar Senkron sayıcılara nazarn daha yavaş çalışırlar. Bunun sebebi ise flip flop 'ların birbirlerini tetiklemesidir. Bu da zaman kaybına yol açar. Senkron sayıcılarda ise tüm flip flop 'lar aynı anda tetiklenirler. Bu yüzden Senkron sayıcılar Asenkron sayıcılara göre daha fazla tercih edilirler.
Sayıcılar birde yukarı ve aşağı sayıcılar diye ikiye ayrılırlar. Her clock palsinde çıkıştaki binary sayı artan sayıcılara yukarı sayıcı, azalan sayıcılara da aşağı sayıcı. denir.
1) - Asenkron Sayıcılar :
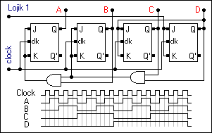
Şimdi 4 bit (4 çıkışlı) asenkron sayıcıyı ele alalım. 4 bit sayıcı için dört adet flip flop kullanacağız. Aşağıda 4 bit asenkron sayıcının çizimi ve çıkış tablosu görülmektedir.

Yukarıda da görüldüğü gibi asenkron sayıcılarda flip flop'lar ard arda yani seri bağlanmıştır. Flip flop 'ların Q çıkışları kendinden sonra gelen flip flop'un clock ucuna bağlanmıştır. Bu durum sayıcıda yavaşlamaya sebep olur. Devrenin altında görülen grafik ise flip flop'ların çıkış grafiğidir. Grafikteki yükselmeler çıkışın 1 olduğunu düşmeler ise çıkışın 0 olduğunu temsil eder. Grafikten de anlaşılacağı gibi A çıkışı clock palsinin, B çıkışı A çıkışının, C çıkışı B çıkışının ve C çıkışı da D çıkışının yarı frekansı kadardır. Aşağı sayıcı yapılmak istenirse devre çizimindeki flip flop'ların Q çıkışından clock uclarına yapılan bağlantılar Q' 'den alınmalıdır. Çıkış tablosuda yandaki tablonun aşağıdan yukarı doğru okunan halidir.
2) - Senkron Sayıcılar
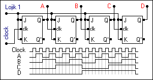
Şimdi 4 bit (4 çıkışlı) senkron sayıcıyı ele alalım. 4 bit sayıcı için dört adet flip flop kullanacağız. Aşağıda 4 bit senkron sayıcının çizimi ve çıkış tablosu görülmektedir.

Yukarıdaki devre çizimine bakıldığında senkron sayıcının asenkron sayıcıya göre biraz daha karışık olduğu anlaşılabilir. Yine yukarıda görüldüğü gibi tüm flip flop'ların clock ucları bir birlerine bağlıdır. Yani hepsi aynı anda clock palsi alırlar .Bu da devrenin çalışmasına hız kazandırır. Devrenin altında görülen grafik ise flip flop'ların çıkış grafiğidir. Grafikteki yükselmeler çıkışın 1 olduğunu düşmeler ise çıkışın 0 olduğunu temsil eder. Grafikten de anlaşılacağı gibi A çıkışı clock palsinin, B çıkışı A çıkışının, C çıkışı B çıkışının ve C çıkışı da D çıkışının yarı frekansı kadardır. Eğer aşağı sayıcı yapılmak istenirse devredeki Ve kapısının giriş ucları flip flop'ların Q uclarından değilde Q' uclarından alınmalıdır. Tablosu ise yukarıdaki tablonun aşağıdan yukarı doğru okunuşudur.











