
Günümüzde bilgisayar sistemleri, tıbbi cihazlar, haberleşme sistemleri, denetim sistemleri, alarm sistemleri, bazı aydınlatma sistemleri ve kayıt cihazları gibi sürekli besleme gerektiren uygulamalar oldukça yaygın hale gelmiştir. Bu durum, bu cihazların beslenmesi için gerekli olan kaynaklar sorununu gündeme getirmiştir. Çünkü bu tür cihazlar kaynaktan gelen gerilim darbe ve kesintilere karşı oldukça duyarlıdırlar.
Bu yüzden yalnız gerilim kesilmelerinde değil, gerilim değişmelerinde de bu sistemlerin sağlıklı çalışmasını temin edecek güvenilir kesintisiz güç kaynaklarının tasarım ve üretimine ağırlık verilmiştir. Bugün yerli ve yabancı bir çok firmalar tarafından 300KVA'ya kadar kesintisiz güç kaynakları yapılmakta, belirli güç seviyelerinde belirli yarı iletken türleri ve besleme gerilimleri tercih edilmekte ve harmonik bozulumunun denetimi için değişik tasarım yöntemleri kullanılmaktadır.
Kesintisiz güç kaynakları temelde "sürekli çalışanlar" ve "kesinti halinde çalışanlar" olmak üzere iki guruba ayrılabilir. Kesinti halinde çalışanlar şebekede herhangi bir arıza meydena gelmesi durumunda devreye girer ve bu durum ortadan kalktıktan sonra da devreden çıkarlar. Yükü sürekli besleyen kaynaklar ise nispeten düşük verimli olmalarına karşılık daha yüksek güvenirlilik sağlarlar. Çünkü kesinti halinde çalışan kaynakları yüke bağlayan ya da yükten ayıran elektronik düzeneklerin (geçiş anahtarları) tasarım tekniğine bağlı olarak erişebilecekleri açma-kapama süreleri her yük için uygun düşmeyebilir. Bilgisayar gibi gerilim süreksizliklerine çok hassas olan hafıza ünitelerini ihtiva eden kritik yüklerde bu anahtarlama süresi daha da önem kazanmaktadır.
Kesintisiz güç kaynaklarında çıkış geriliminin denetimi için değişik yöntemler öngörülmektedir. Bunlar; invertör çıkışı ile a.a. yük arasında bir a.a. gerilim denetleyicisi kullanmak; kaynak ile invertör giriş uçları arasında, invertöre giriş olarak verilen d.c. gerilimini denetleyecek bir devre kullanmak; invertörün kendisini çıkış gerilimini denetleyebilecek şekilde tasarlamak, olarak sıralanabilir. Bunlardan en çok tercih edileni de, invertör çıkış geriliminin invertör içinde denetlendiği yöntemdir. Bu da darbe genişlik modülasyonu (PWM) ile yapılmaktadır. Darbe genişlik modülasyonunun diğer önemli bir özelliği de, çıkış gerilimindeki harmonik bozunumu en aza indirmesidir.
Tasarımı yapılan kesintisiz güç kaynaklarında bir başka önemli konu da, sürme devreleri ve bu devrelerde kullanılan anahtarlama elamanlarıdır. Anahtarlama elemanı ve buna bağlı olarak gerekli olan sürme devresinin seçimi hususunda en önemli faktör, tasarımda hedeflenen çıkış gücü olmaktadır. Yapılan deney ve incelemeler sonucunda, düşük güçlerde (4-5 KVA güçlere kadar) MOSFET 'lerin, orta güçlerde (40-50KVA) bipolar transistörlerin, daha yüksek güçlerde ise tristörlerin kullanılmasının daha uygun olacağı sonucuna varılmaktadır.
Kesintisiz güç kaynaklarının tasarımında dikkat çeken diğer önemli hususlar arasında invertör çıkışında elde edilen dalga şekli ve verimdir. Yapılan üretimlerde genelikle, invertör çıkışında "yarım kare dalga" elde edilmekte ve filtre ile işaret sinüze benzetilmeye çalışılmaktadır. Bu durumda da filtre üzerine %15-20 civarında kayıp olmakta ve böylece sistemin verimi büyük ölçüde düşmektedir. Filtrede meydana gelen bu kaybı azaltmak için , invertör çıkışındaki dalga şeklinin daha yakın olması gerekir. Bunun içinde " çok darbeli PWM " tekniğinin kullanılması ve bazı ek önlemlerin alınması gerekmektedir.
Bu çalışmada tasarımı yapılan ve prototipi gerçekleştirilen kesintisiz güç kaynağının, yükü şebeke kesintisi olduğunda beslemesi , düşük maliyetli ve 200VA'lık bir güce sahip olması öngörülmüştür. Sistemin 200VA'lık olması ve bu güçlerde iyi sonuç vermesi nedeniyle, anahtarlama elemanı olarak güç MOSFET' i kullanılmıştır. Kesintisiz Güç Kaynaklarının Bazı Temel Alt Üniteleri İşlev ve Yapıları Açısından Kesintisiz Güç Kaynaklarına Genel Bakış, Bir çok elektrik veya elektronik sistemde; bir enerji kesintisi durumunda, yükün beslemesiz kalması, önemli sorunlar ve sonuçlar doğurabilir. Yalnız enerji kesintisi durumu değil, ani gerilim sıçramaları ve frekans kaymaları da önemli sorunlar yapabilir.
Sürekli besleme gerektiren uygulamalar arasında bilgisayar sistemleri, tıbbi cihazlar, bazı haberleşme sistemleri, kazan denetim sistemleri, bazı aydınlatma sistemleri, önemli enstrümantasyon ve kayıt cihazları sayılabilir. Bunlara genel olarak "kritik yükler " denilmektedir. İşte; kritik yükleri besleyen, şebekedeki kesinti ve anormallikleri yüke aktarmayıp, yükü sürekli temiz ve kaliteli enerjiyle besleyen kaynaklara "kesintisiz güç kaynakları" denir.
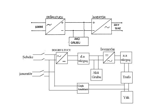
Doğrultucu ünitesi, şebekeden aldığı kaliteli olmayan enerjiyi doğrultarak, invertör ünitesine uygular. İnvertör tekrar bir çevirme işlemi yaparak, çıkışında istenilen gerilim ve frekansta alternatif enerjiyi oluşturur. İnvertör girişine aynı zamanda bir akü gurubu bağlanmıştır. Şebeke kesintisi durumunda bu akü gurubu invertör ünitesini beslemeye devam eder. Şebekede herhangi bir arzulanmayan durum söz konusu olmadığı sürece, doğrultucunun, invertörü besleme görevi yanında bir diğer görevi de, akü gurubunu şarj etmek ve şarjlı tutmaktır.
Sistemin daha ayrıntılı olarak gösterildiği bu şekilde, normal olarak yük statik geçiş anahtarı üzerinden şebekeye bağlıdır. Şebekedeki kesilme ya da kalitedeki bozulma durumunda bu anahtar açılır. Bu durumda devrede daha önce tampon olarak bulunan akü grubu invertör için gerekli olan d.c. gerilimi sağlar. İnvertör d.c. gerilimi kıyarak sinüsoidal bir gerilim üretir. Bu gerilim, harmonik bozunumu süzgeç yardımıyla makul bir seviyeye getirildikten sonra, çıkışta gerekli gerilim seviyesini sağlayacak olan transformatör üzerinden yüke verilir.
Bu sistem oldukça teferruatlı olarak düşünülmüş teorik bir devre olup, uygulamada çeşitli nedenlerle bazı sınırlamalara gidilmektedir. Şöyle ki; kesintilerin kısa süreli olacağı kabul edilerek jeneratör genellikle kullanılmaz. Ya da şebekenin sürekli sorun çıkardığı durumlarda statik geçiş anahtarı bulunmayabilir. Böylece olay, şebeke gerilimini doğrultup süzerek bir d.a. gerilim ve bunu kullanarak harmonik bozunumu az olan bir a.c. gerilim üretmek olarak iki kısma indirgenebilir.
Bir kesintisiz güç kaynağında bulunması arzu edilen en önemli özellikler şöyle sıralanabilir:
a) Gerilim Regülasyonu: En kötü şartlarda bile ±%2 dolaylarında olması istenir.
b) Frekans Kararlılığı: Normal çalşma durumunda şebeke frekansının normal sınırlar içinde olduğu durumda K.G.K. sisteminin frekansı ile aynı olmalıdır ve aynı evrede kilitlenmiş olmalıdır.
c) Çıkış Gerilimi Dalga Şekli: Çıkış geriliminin dalga şekli ideal sinüse mümkün olduğunca yakın olmalıdır. Yani K.G.K. çıkışında şebeke frekansının temel harmoniğinin dışında yüksek harmoniklerin bulunması önemle istenen bir özelliktir.
d) Verim: Verimin düşük olması toplam çekilen enerjinin bir kısmının ısı enerjisi olarak tüketilmesi anlamına gelmektedir. Hatta, bu takdirde gereksiz enerji tüketimi bir tarafa, sistemin bulunduğu ortam ısınacağından ek soğutma önlemleri dahi gerekebilir. Günümüzde üretilen cihazlarda verim %85-90 arasında değişmektedir.
e) Ani Yük Değişikliklerine Gösterilen Tepki: Bu konuda bir standart olmamakla beraber büyük üretici firmalarca (Siemens,BBC,SICE.vs) sistemin %50 lik yük değişikliklerine karşılık ± %10Vpp gerilim değişikliği göstererek, 50 milisaniye içinde ±%2Vpp değerine inmesi istenmektedir.
f) Aşırı Yüklenebilme Yeteneği: Yine bu konuda da bir standart olmamakla birlikte sistemin %120 yükte yaklaşık 10 dakika, %150 yük altında ise 10 saniye çalışması beklenmektedir. 
Kesintisiz Güç Kaynaklarının Yapılarının İncelenmesi:
İnvertör Kısmı :
İnvertörler d.c.'ı istenilen bir gerilim ve frekansta a.a.'a dönüştürmekte kullanılan güç elektroniği devreleri olup, başlıca uygulama alanları ,
a. Kesintisiz güç kaynakları,
b. Değişken hızlı asenkron motor sürücü sistemleri,
c. Yedek güç kaynakları,
d. Uçaklarda güç kaynakları,
e. Yüksek gerilimde d.c. iletim sistemlerinin çıkış katı
f. Endüksiyon ısıtması
olarak sıralanabilir.
Yarı iletken devre elemanlarının kullanım yaygınlaşmadan önce mekanik anahtarlamalı invertörler geliştirilmiştir. Mekanik anahtarlamalı gerçekleştirilen invertörlerde yüksek güç değerlerine ulaşmak mümkün değildi. Ayrıca içindeki hareketli anahtarların aşınması ömürlerini sınırlamaktaydı.
1- Mekanik anahtarlamalı invertör:
Yarı iletken devre elamanlarının gelişmesiyle mekanik anahtarların yerini transistörler almıştır.

2- Transistör anahtarlamalı invertör:
Bu anahtarlama devrelerinde transistörlerin (birbirlerine göre simetrik olarak) kesim ya da doyumda olmaları istenir. Transistörün kesimde kalabilmesi için bazına uygulanan gerilimin baz-emiter diyot düşümünden küçük olması yeterlidir. Bu durumda kaynak gerilimi transistör üzerine düşer. Transistörün iletime girebilmesi için bazına uygun seviyede bir akım uygulamak gereklidir. Doyum durumunda transistör üzerindeki gerilim düşmesi çok küçük olup, tüm kaynak gerilimi yüke uygulanır.
Anahtarlama elamanı olarak FET kullanılan devreler için de benzer şeyler söylenebilir. Ancak FET' lerde denetim kapıya uygulanan gerilimle yapılmaktadır bu nedenle hem düşük güçlü sürme devreleri ile çalışabilmekte, hem de anahtarlama cevapları açısından transistörlere nazaran daha iyi özellikler göstermektedirler. Transistörlü invertörlerde ulaşılabilecek güç de sınırlıdır. Oysa tristörlerle gerçekleştirilen invertörlerde oldukça yüksek güçlere erişilmektedir.
Temel invertör devreleri:
Bilindiği gibi düz eğilimlenmiş olan tristörü tekrar susturabilmek için ek önlemlere gerek vardır. İletimdeki tristör gurubunun susturularak diğer gurubun devreye girmesi işlemine komütasyon denilmektedir. Komütasyon, tristörlü invertörlerde çeşitli şekillerde sağlanmaktadır. Komütasyon şekillerine göre invertörler çeşitli sınıflara ayrılmaktadır. Bunları paralel kondansatör komütasyonlu, seri kondansatör komütasyonlu, harmonik komütasyonlu invertör şeklinde sıralabilir.
İnvertörlerde Gerilim Denetimi: İnvertörlerde çıkış geriliminin d.c. kaynak gerilimine oranının sürekli bir şekilde denetlenmesi, sık karşılaşılan bir ihtiyaçtır. Bu iş için en çok kullanılan yöntem, invertör çıkış geriliminin invertör içinde kontrol edilmesi şeklindedir. Bu da iki şekilde yapılabilmektedir Darbe genişlik denetimi ve darbe genişlik modülasyonu (PWM). Sistemde invertör katını gerçekleştirmek için 50 Hz frekanslı CD4047 (monostabelmultivibratör) entegresi kullanılmıştır. Bu entegrenin Q, O çıkışları güç MOSFET'i olan IRFP250 elamanının gate'ini hiçbir ara sürücü kata ihtiyaç kalmadan kontrol edebilmektedir.
Darbe Genişlik Modülasyonu (PWM): En çok kullanılan yöntemdir. Bu yöntemde her bir yarım çevrimde belirli sayıda anahtarlama yapılmaktadır. Başka bir ifadeyle invertör çıkış gerilimi, anahtarlama elamanının (transistör, FET veya tristör) iletimde olduğu sürenin tıkamada olduğu süreye oranının değiştirilmesi ile denetlenmektedir.
Kesintisiz güç kaynaklarında çıkış gerilimindeki harmonik bozunumların en aza indirilmesi çok önemlidir. Bunu gerçekleştirmek için çıkışta kullanılan süzgecin köşe frekansı gerilimde varolan en düşük numaralı harmonik frekansından daha düşük bir yerde seçilmelidir. Bu nedenle tetikleme açıları, temel bileşenin değerini belirlemek ve bir takım alt harmonikleri sıfıra eşitlemek için kullanılır. Problem, matematiksel olarak doğrusal olmayan denklem dizgesinin çözümü olarak ortaya konulabilir. Çeyrek çevrimdeki açı sayısı gerilim denetimi yapabilmek için yok edilmek istenen harmonik sayısından bir fazla tutulmalıdır.
Ne kadar çok sayıda tetikleme açısı kullanılırsa çıkışta bulunan a.a. süzgecin köşe frekansı o kadar yukarı çıkar ve boyutları küçülür. Ancak çok sayıda tetikleme, anahtarlama kayıplarının büyük olmasına neden olacağı gibi, çözümleme sonucu ortaya çıkan çok dar darbeleri elde etmekte de güçlükler çıkabilir. Bu durum anahtarlama elamanlarını gündeme getirmektedir.
İnvertörlerde günümüzde genellikle 4-5KVA güçlere kadar FET, 40-50KVA güçlere kadar bipolar transistörler ve daha yüksek güçlerde de tristörlerin kullanılması uygun mütalaa edilmektedir. Bugün yapılan PWM dalga üreteçleri; bir LSI (Yüksek Ölçekli Tümleşik Devre) olabildiği gibi mikroişlemci denetimli ya da EPROM tabanlı bir üreteç de olabilir.
Doğrultucu:
Şebeke ile invertör arasında yer alan doğrultucu ve akü doldurucu ünite, invertör ve akü için gerekli olan kontrollü d.c. gerilimi sağlar. Sağlanan gerilimin kontrollü olmasının istenmesi nedeni de, akü dolma akımının belirsiz değil de, sabit bir değerde tutulması mecburiyetidir. Kontrollü doğrultucu-doldurucular transistörler, FET yada tristörlü olabilmektedir.
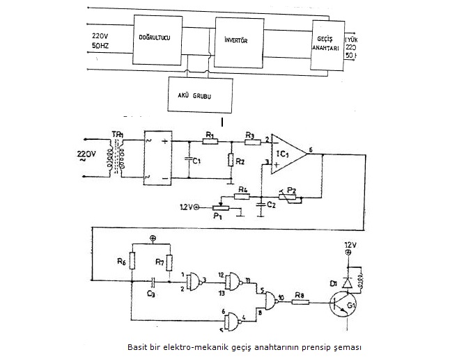
Burada özel olarak sarılmış 220V girişli 2x15V' luk sekonder sargıya sahip bir transformatör kullanılmaktadır. Şarj devresinde şebeke gerilimi T1 transformatörü ile 15 volta düşürülerek 2 adet 1N 4007 diyodu ile doğrultulmuştur. Elde edilen gerilim 47mF ve 100nF kondansatör elemanları ile filtre edilmiştir.
Transistör kontrollü doğrultucu :
Bir çok tasarım uygulamalarında transistör anahtarlama modunda çalıştırılmaktadır. Hatta MOSFET'ler çok daha yüksek frekanslarda çalışabildiğinden ve diğer çalışma özelliklerinin daha uygun olmasından dolayı tercih edilmektedir.
Kontrollü doğrultucu-doldurucularda tristörler, güç transistörlerinin akım-gerilim sınırlarını aşan uygulamalarda zorunlu olarak tercih edilmektedir.
Geçiş Anahtarı:
Kesintisiz güç kaynağının "sürekli çalışması" yerine, sadece geriliminin kesilmesi halinde geçiş anahtarı üzerinden şebekeye bağlanmaktadır. Bu durumda doğrultucu ve invertör devre dışı haldedir. Şebekedeki meydana gelebilecek kesintilerde, geçiş anahtarı yükü invertör çıkışına aktarmaktadır.
Geçiş anahtarları; elektromekanik anahtarlar ya da statik geçiş anahtarları olmak üzere iki ayrı türde tasarlanmaktadır. Elektromekanik anahtarlarda minumum geçiş süresinin 50 milisaniye olması ve bu sürenin bir yük için çok uzun olması nedeniyle genellikle tercih edilmemektedir. Statik geçiş anahtarlarında ise bu süre 2-3 milisaniye civarına inebilmektedir. Ancak anahtarlama süresinin kısaldığı oranda da sistem daha karmaşık bir hal almakta ve maliyet artmaktadır.
Bu devrede, çıkış gücü 200VA olan bir kesintisiz güç kaynağı geliştirilmiştir. Kesintisiz güç kaynağının giriş ve çıkış gerilimleri 220V AC dir. Batarya gerilimi 12V 'tur. Tasarlanan sistem lojik kontrol birimi tarafından kontrol edilmektedir. Lojik kontrol birimi akü seviyesine göre aküyü şarj etmekte ve şebeke de elektrik kesilmesi meydana geldiğinde röle ile anahtarlama yaparak yükün elektriksiz kalmamasını sağlamaktadır.

Akü Şarj Ünitesi :
Devredeki 2,2W-2 Watt'lık omik direnç aküyü aşırı şarja karşı korumaktadır. Ayrıca 1N4007 diyodu 'da ters yönde oluşabilecek sızıntı akımlarını engellemek içindir. Herhangi bir olumsuzluk olur düşüncesiyle 20 A'lik sigorta kullanılmıştır. Akü şarj ünitesi şekil 3.3'de verilmiştir. Tasarlanan kesintisiz güç kaynağında 12V, 7A'lik bir akü kullanılmıştır. Şebeke gerilimi varken invertör çalıştırılsın veya çalıştırılmasın, aküler şarjsız ise şarj edilirler. Aküler şarj olup, gerilimi şarjör gerilimine ulaştığında artık akım çekmezler.
Akü Seviye Göstergesi:
Sistemde kullanılan akü seviye göstergesi zener diyodların akü potansiyeli ile iletim ve kesime gitmesi ile tasarlanmıştır. Birbirlerine yakın değerlerdeki 4 adet zener ditod NPN tipi transistörlerin Baz gerilimini kontrol etmektedir. Eşik gerilimi aşılan zenerler transistörlerin iletime geçmesini sağlamaktadır. İletime geçen transistörler K.G.K. kasasının ön kısmında görülen akü seviye LED'lerini kontrol etmektedir.
Akü kontrol göstergesi kullanıcıya süre hakkında bilgi vermesinin yanısıra akü voltajı 11,5 volta düştüğünde sistem kontrole Lojik 1 bilgisini göndererek sistem çıkışının kesilmesini sağlar.
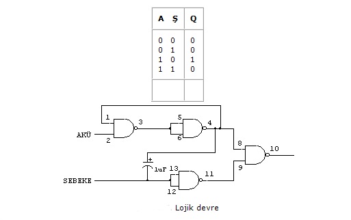
Lojik Kontrol:
Sistem kontrolü şekilde gösterilen NAND kapıları ile gerçekleştirilmiştir. K.G.K. için geliştirilen kontrol ünitesi verilen koşulları sağlamaktadır.
• Akü boş iken şebeke gerilimi yoksa KGK çıkışını keser.
• Akü boş iken şebeke gerilimi var ise KGK çıkışını keser.
• Akü dolu iken şebeke gerilimi yoksa KGK'nı devreye sokar.
• Akü dolu ve şebeke gerilimi var ise KGK'nı beklemeye alır.
• KGK devreye girdiğinde Akü voltajı 11,5 volta düştüğünde sistemi kapatır.
Bu koşulları sağlayan devrenin lojik durumları tabloda verilmiştir.

Lojik kontrol ünitesinin beslemesi 7808, +8 voltluk regülatör entegresi ile gerçekleştirilmiştir. Sistem ile arasındaki giriş çıkış birimleri 4N25 Optokuplör elamanı ile yapılarak lojik sistemin analog sistemden yalıtılması sağlanmıştır. Böylece kararlılık artırılmıştır.

Devrede kullanılan ikin adet MOSFET yükselten transformatörün iki adet girişine tatbik edilerek 310V- 50Hz çıkış almamısı sağlar. Transformatör çıkışında kullanılan 150W direnç ve 0.47µF kondansatör elamanları ile RC filtresi gerçekleştirilmiştir. Bu filtre aynı zamanda transformatör çıkış gerilimini sınırlama görevi yapmaktadır.
Tetikleme elemanı olarak kullandığımız IRFP250 güç MOSFET' inin gate ucuna Q ve O uçları bağlanmaktadır. Böylece N tipi Mosfet çıkışların + alternasında iletime geçmektedir. MOSFET'in biri iletimde iken,diğeri kesimde olacaktır. Her MOSFET saniyede 50 kez anahtarlama yaptığı için yükselten transformatörün tetiklenmesi için gerekli olan 50 Hz frekansı elde edilmiş olur.





















